|
Dynamometer
SM-serie
dynamometer met beeldscherm / voor trekkracht- en drukkrachtmetingen /
meetbereik van 50 N ... 250 kN / rode aanduiding van
-19999 … 99999 digits / zeer goede reproduceerbaarheid
|
|
De dynamometer voor trek- en drukkracht van de serie SM werkt met een externe krachtcel en een apart beeldscherm. Met de dynamometer van de serie SM (ook krachtsensor genoemd) wordt de kracht gemeten die op de sensor wordt uitgeoefend. Zo kunnen druk- en trekkrachten gemeten worden aan de hand van elastische vervorming. De dynamometer kenmerkt zich door zijn compacte ontwerp en grote stabiliteit. Behalve krachtmetingen, zijn deze dynamometers bedoeld om te wegen en om het draaimoment te bepalen. De krachtmeter onderscheidt zich ook door zijn zeer grote resolutie en
krachtbereik tot maximaal 250 kN. Het gemakkelijk afleesbare beeldscherm van de dynamometer houdt u niet alleen op de hoogte van de actuele meewaarde, maar geeft ook een signaal bij overschrijding van een vooraf ingestelde meetwaarde. Het beeldscherm van de krachtsensor wordt door IP65 beschermd en dankzij zijn platte ontwerp kan hij gemakkelijk in een schakelkast worden geïnstalleerd. Zo kunt u bijvoorbeeld gemakkelijk en nauwkeurig een drukkracht in een vaste pers of een trekkracht in een hydraulische cilinder onderzoeken. Met deze dynamometer van de serie SM heeft u geen extra meetcellen nodig, omdat men trek- en drukkrachtmetingen tot 250 kN kan verrichten. Daarom kan de toegezonden standaard dynamometer in een systeem of machine worden geïnstalleerd.
Mocht u vragen hebben over de dynamometer, dan kunt u contact met ons op via het telefoonnummer +31
(0)900 120 00 03. Onze technische medewerkers en ingenieurs geven u graag meer advies over deze
dynamometer en al onze andere producten op het gebied van meettechniek,
weegtechniek en regeltechniek.
|
|
|
|

|
|
De
belangrijkste voordelen van de dynamometer zijn:
|
|
-
Meetbereik van 50 ... 250.000 N
- Lineariteit: ± 0,03 % F.S.
- Overbelastingsbeveiliging ± 150 %
van de nominale last
- Kabellengte 1,5 m
- Voor trek- en drukkrachten
- Plat ontwerp
- Grote nauwkeurigheid
- Kort meettraject
- Grote reproduceerbaarheid
- Ideaal voor krachtmetingen
- Schroefklemmen
- Rode aanduiding van -19999 …
99999 digits
|
- Inbouwdiepte: 120 mm zonder
klem
- Bij overschrijding van de
grenswaarde knippert het
beeldscherm
- Sensorkalibratie met ingebouwde
schakeluitgang
- Voortdurende meting van de min. /
max. waarden
- Rekenkundige functie
- Stabilistatie van het nulpunt
- Blokkering van het programma d.m.v.
toegangscode
- Type bescherming IP65 voorzijde
|
|
Technische specificaties van de
dynamometer |
|
Model
|
Nominale last
|
|
Dynamometer SM-50 N
|
0 ... 50 N
|
|
Dynamometer SM-100 N
|
0 ... 100 N
|
|
Dynamometer SM-200 N
|
0 ... 200 N
|
|
Dynamometer SM-500 N
|
0 ... 500 N
|
|
Dynamometer SM-1000 N
|
0 ... 1.000 N
|
|
Dynamometer SM-2000 N
|
0 ... 2.000 N
|
|
Dynamometer SM-3000 N
|
0 ... 3.000 N
|
|
Dynamometer SM-5000 N
|
0 ... 5.000 N
|
|
Dynamometer SM-10 KN
|
0 ... 10.000 N
|
|
Dynamometer SM-20 KN
|
0 ... 20.000 N
|
|
Dynamometer SM-50 KN
|
0 ... 50.000 N
|
|
Dynamometer SM-250 KN
|
0 ... 250.000 N
|
|
Nauwkeurigheid van de dynamometer
SM-50 N, SM-100 N, SM-200 N, SM-500 N, SM-1000 N
|
|
Lineariteit
|
± 0.03 % nominale last
|
|
Hysterici
|
± 0.02 % nominale last
|
|
Reproduceerbaarheid
|
± 0.01 % uitgang
|
|
Nauwkeurigheid van de dynamometer
SM-2000 N, SM-3000 N, SM-5000 N
|
|
Lineariteit |
± 0.05 % nominale last |
|
Hysterici |
± 0.03 % nominale last |
|
Reproduceerbaarheid |
± 0.02 % uitgang |
|
Nauwkeurigheid van de dynamometer
SM-10 KN, SM-20 KN |
|
Lineariteit |
± 0.05 % nominale last |
|
Hysterici |
± 0.05 % nominale last |
|
Reproduceerbaarheid |
± 0.01 % uitgang |
|
Nauwkeurigheid van de dynamometer
SM-50 KN, SM-250 KN |
|
Lineariteit |
± 0.05 % nominale last |
|
Hysterici |
± 0.06 % nominale last |
|
Reproduceerbaarheid |
± 0.01 % uitgang |
Algemene technische specificaties
van de dynamometer van de
serie SM |
|
Temperatuur |
|
|
Temperatuurbereik |
-15 ... +65 °C |
|
Bedrijfstemperatuur |
-55 ... +90 °C |
|
Elektrisch |
|
|
Uitgangssignaal |
3.00 mV/V (nominaal) |
|
Brugweerstand |
350 |
|
Voedingsspanning |
15 VDC |
|
Mechanisch |
|
|
Kalibratie |
trekkracht |
|
Overbelastingsbeveiliging |
± 150 % van de nominale last |
|
Kabellengte |
1,5 m |
|
Beeldscherm |
|
|
Afmetingen |
96 x 48 x 120 mm |
|
Montage uitsparing |
92,0 + 0,8 x 45,0 + 0,6 mm |
|
Wanddikte |
tot 15 mm |
|
Bevestiging |
schroefelementen |
|
Materiaal |
PC Polycarbonaat, zwart, UL94V-0 |
|
Afdichtingmateriaal |
EPDM, 65 Shore, zwart |
|
Type bescherming |
standaard IP 65 (voorkant), IP00
(achterkant) |
|
Gewicht |
ca. 300 g |
|
Aansluiting |
klem; doorsnede tot 2,5 mm² |
|
Cijferhoogte |
14 mm |
|
Segmentkleur |
rood |
|
Aanduidingbereik |
-19.999 ... 99.999 |
|
Schakelpunten |
per schakelpunt een LED |
|
Overbelasting |
horizontale balken boven |
|
Onderbelasting |
horizontale balken onder |
|
Aanduiding van de tijd |
0,1 ... 10,0 seconden |
|
Ingang |
|
|
Sensorgevoeligheid |
1 mV/V, 2m V/V, 3,3 mV/V |
|
Meetbrug |
250 ... 500 Ω / 20 ... 40 mA |
|
Nauwkeurigheid |
0,2 % van het meetbereik in een
gecontroleerde elektromagnetische omgeving, 1 % van het
meetbereik in een industriële omgeving met een sterke
storingsbron |
|
Digitale ingang |
< 24 V OFF, 10 V ON, max. 30 VDC
RI ~ 5 kΩ |
|
Sensorkalibratie |
altijd noodzakelijk |
|
Temperatuurdrift |
100 ppm / K |
|
Meettijd |
0,1 ... 10,0 seconden |
|
Meetprincipe |
U/F transformatie |
|
Resolutie |
ca. 18 BIT bij 1 s meettijd 3,3 mV/V
- meetbereik |
|
Uitgang |
|
|
Voedingsspanning |
24 VDC / 50 mA; 10 VDC / 20 mA
0/4 ... 20 mA of schakelbaar 0 ... 10 VDC 16 Bit |
|
Analoge uitgang |
250 VAC / 5 AAC; 30 VDC / 5 ADC
30 x 103 bij 5 AAC, 5 ADC decisieve belasting
10 x 106 mechanisch
scheiding volgens DIN EN 50178
karakteristieke waarde volgens DIN EN 60255 |
|
Relais |
met schakelcontact |
|
Transistor-schakeluitgang |
|
|
Interface |
|
|
Protocol |
ASCII-modbus of RTU-protocol |
|
RS-232 |
9.600 baud, geen pariteit, 8
Databits, 1 Stopbit,
max. 3 m lijnlengte |
|
RS-485 |
230 VAC ± 10 % max. 10 VA
10 ... 30 VDC max. 4 VA |
|
Geheugen |
EEPROM |
|
Omgevingsomstandigheden |
|
|
Bedrijfstemperatuur |
0 ... 50 °C |
|
Opslagtemperatuur |
-20 ... +80 °C |
|
Klimaatomstandigheden |
relatieve vochtigheid 0 ... 80 % |
|
EMV |
EN 61326 |
|
CE-markering |
overeenkomstig de norm 2004/108/EG |
|
Veiligheidsvoorschriften |
EN 61010; EN 60664-1 |
Inhoud van de zending van de
dynamometer
1 x dynamometer van de serie SM
(50 N ... 250 kN), 1 x beeldscherm en 1 x gebruiksaanwijzing |
|
Technische tekening van de
dynamometer van de serie SM |
|
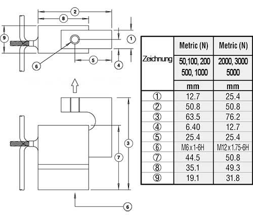
Technische
tekening van de dynamometer
SM-50 N, SM-100 N, SM-200 N, SM-500 N, SM-1000 N, SM-2000 N,
SM-3000 N, SM-5000 N |
|

|
|
Technische tekening van de dynamometer SM-10 kN, SM-20 kN |
|

|
|
Technische
tekening van de dynamometer SM-50 kN, SM-250 kN |
|

|
|
Technische
tekening van het beeldscherm van de dynamometer |
|

|
|
De contactschema's
van het beeldscherm van de dynamometer |
|

|
|
Beschikbare optionele producten voor de dynamometer
sm-serie |
- ISO-kalibratiecertificaat
Voor bedrijven die de dynamometer aan hun interne kwaliteitscontrolesysteem willen toevoegen of die hem jaarlijks willen laten kalibreren.
Het certificaat omvat een kalibratie en een document met alle meetwaarden. In het verslag wordt ook de naam en het adres van het bedrijf of de persoon aangegeven die het heeft aangevraagd. |
 |
- Testbank
Deze dynamometer kan met een van de drie beschikbare testbanken gecombineerd worden. Twee testbanken zijn met een hendel uitgerust, en de derde wordt door een motor aangedreven. Het gebruik van een testbank is bijvoorbeeld nuttig bij het uitvoeren van dagelijkse materiaaltesten in laboratoria, die altijd onder dezelfde omstandigheden moeten worden uitgevoerd (uitsluiten van menselijke fouten). |
 |
|
Attentie: De dynamometer is onderhoudsvrij, licht en kenmerkt zich door zijn lange levensduur. Bij de vervaardiging van deze dynamometer worden uitsluitend hoogwaardige materialen gebruikt, die een maximale veiligheid en duurzaamheid garanderen. De dynamometer beschikt over een overbelastingsbereik. Indien dat wordt overschreden, zal de dynamometer worden vernietigd. Wanneer u een dynamometer voor uw werk uitkiest, houdt u dan rekening met het meetbereik en neemt u een model met een hoger meetbereik dan dat u denkt nodig te hebben bij het uitvoeren van de metingen. |
 |
 |
| Hier vindt u het complete overzicht van alle
meetinstrumenten in het programma van PCE Benelux |
Contact
PCE Benelux
Capitool 26
7521 PL Enschede
Tel. +31 (0)900 120 00 03
Fax +31 (0)53 430 36 46 |
|
Deze site in het Duits ,
Spaans ,
Italiaans ,
Engels ,
Russisch ,
Kroatisch ,
Frans ,
Hongaars ,
Turks ,
Tsjechisch , Bulgaars , Pools ,
Portugees ,
Chinees
|